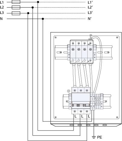
B series distribution surge protective devices are mainly appicable to power distribution system for class B/ C or type 1/2 protection, to protect electrical equipment from the impact of lightning electromagnetic pulse, induced over voltage, transist operation and resonance( less than 100 μs) over voltage.
EN
jp
ko
fr
de
es
it
ru
pt
ar
vi
th
ro
bg
nl

