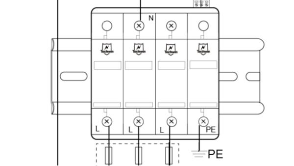
In the TN system, in general, the surge protector only needs to be connected in common mode, that is, connected between the neutral line of the phase line and the protective ground line. However, in the starting position of the TN-S system, there is no need to connect a surge protector between the neutral wire and the protective ground wire. Only for the power ports of the particularly important equipment on the third and fourth levels in the A-level lightning protection level and the third level in the B-level lightning protection level, differential mode access is required, that is, the connection between the phase line and the neutral surge protector between wires.
In the TT system, when the first-level surge protector is located behind the leakage protector, the above common mode connection method can be used. When the first-level surge protector is located in front of the leakage protector, and the high-voltage system is the center point grounding system, the surge protector should be connected to "3+1", that is, the three phase lines are connected to the neutral line. Surge protector, connect the neutral wire to the protective ground wire and then a surge protector. In the IT system, the three-phase surge protector is only used for common mode connection.

Surge protector is called lightning protector, which is an electronic device that provides safety protection for various electronic equipment, instruments and communication lines. Standard three-phase surge protectors deliver current from an electrical outlet to the various electrical and electronic devices plugged into the power strip. If a surge or spike occurs, causing the voltage to exceed an acceptable level, the surge protector can conduct the shunt in a very short period of time, thereby preventing the surge from damaging other equipment in the circuit.
(1) Class B surge protector
Nominal discharge current In, impulse voltage 1.2/50 μs impulse voltage and maximum impulse current Iimp test, the waveform of Iimp is 10/350 μsUp maximum 4kv.
(2) Class C surge protector
Nominal discharge current In, impulse voltage 1.2/50 μs For tests of impulse voltage and maximum impulse current Iimp, the waveform of Iimp is 8/25ms.
(3) Class D surge protector
Perform a mixed wave check. Whether the surge protector is good or not is directly related to the safety of the equipment, so when selecting a surge protector, you can refer to several points: Clamping voltage: This indicates the voltage value that will cause the MOV to connect to the ground wire. The lower the clamping voltage, the better the protection performance. There are three protection levels for this UL rating: 30 volts, 400 volts and 500 volts. Typically, clamping voltages over 400 volts are too high. Energy Absorption, Dissipation Capability: This nominal value indicates how much energy the surge protector can absorb before it burns out, in joules. The higher the value, the better the protection performance. The protector you buy should be rated at least between 200 and 400 joules. For better protection, you should look for products with this rating above 600 joules. Response time: Three-phase surge protection devices do not open immediately; they respond to surges with a slight delay. The longer the response time, the longer the computer (or other device) will experience the surge.
Detailed Explanation of Tiered Surge Protection for Distribution BoxesAugust 11, 2025In lightning protection, the surge protection device in distribution boxes plays a crucial role. According to the principle of graded lightning protection, and based on the likelihood of a building be...view
Principle and Function of Signal Surge Protective DeviceMarch 18, 2025Working Principle of Signal Surge Protective DevicesSignal surge protective devices form a protective barrier by connecting in series between the signal channels and the equipment. When a surge voltag...view
The Relationship Between Up and in in Surge Protector (SPD)July 8, 2022Shenzhen Techwin Lightning Technologies Co., Ltd has independently successfully developed a series of products: SPD surge protector, power surge protector, power surge protector, signal surge protecto...view
TVSS Launch | New Benchmark for Three-Phase Surge ProtectionOctober 10, 2025PART.01 What is TVSS?TVSS (Transient Voltage Surge Suppressor) is a core member of the surge protector (SPD) family that deals specifically with transient overvoltages. The HM400(200)B3N is designed f...view
The Role of Lightning and Surge Protection Devices in Biogas PlantsJuly 4, 2024In modern biogas facilities, biogas, as a clean and renewable energy source, is being widely used globally. However, for biogas plants, which process organic materials and produce biogas, the safe ope...view
Lightning Protector: Essential Installation and Maintenance TipsFebruary 29, 2024As unpredictable as weather can be, one thing we can always count on is the presence of lightning during thunderstorms. While its awe-inspiring beauty can be captivating, the power of lightning can al...view